| État de disponibilité: | |
|---|---|
Série TRSK/FK-F
TR
Caractéristiques du produit
* Structure ouverte et fermée, facile à installer sur le site et facile à utiliser. Installation ou retrait rapide et facile sans déconnecter le câble primaire testé, efficace pour les tests actuels sûrs et faciles.
* Limite de quantité large et forte capacité anti-saturation. Plage de courant à entrée 0 ~ 600A.
* Propriétés ignifuges : Selon UL94-V0.
* Classe de protection : IP66.
Application du produit
Système de surveillance des incendies électriques, système de surveillance de l'énergie des équipements d'incendie, système de consommation électrique intelligente, réseau électrique à basse tension intelligent, petit système de mise à la terre de courant, protection des relais, système de protection moteur, etc. pour la mesure, la surveillance et la protection des lignes et l'équipement.
Télécharger la feuille de tailles
Transformateur de courant à noyau divisé série F.pdf
Paramètres du produit
Électrique performance | Température de fonctionnement | -40 ℃ -+70 ℃ | Humidité relative | ≤90% |
Niveau de tension | 0,4 / 0,66 / 0,72kV | Gamme linéaire | 5%-120% | |
Courant d'entrée nominal | 0-600A | Fréquence nominale | 50 / 60Hz | |
Charge nominale | ≤20Ω | Fréquence de puissance Tension de tenue | 3KV AC / 1 min | |
Classe de précision | 0.5 | Résistance à l'isolation | ≥1000 MΩ/500 V CC | |
Mécanique structure | Coquille et squelette | PA/PCIndice d'inflammabilité 94-V0 | Méthode de sortie | Câble aérien / gaine aérien étanche |
Matériau de base | Acier au silicium/nanocristallin/permalloy | Scellage | Résine époxy | |
Structure interne | Joint en silicone étanche | Classe de protection | IP65 、 IP66 、 IP67 |
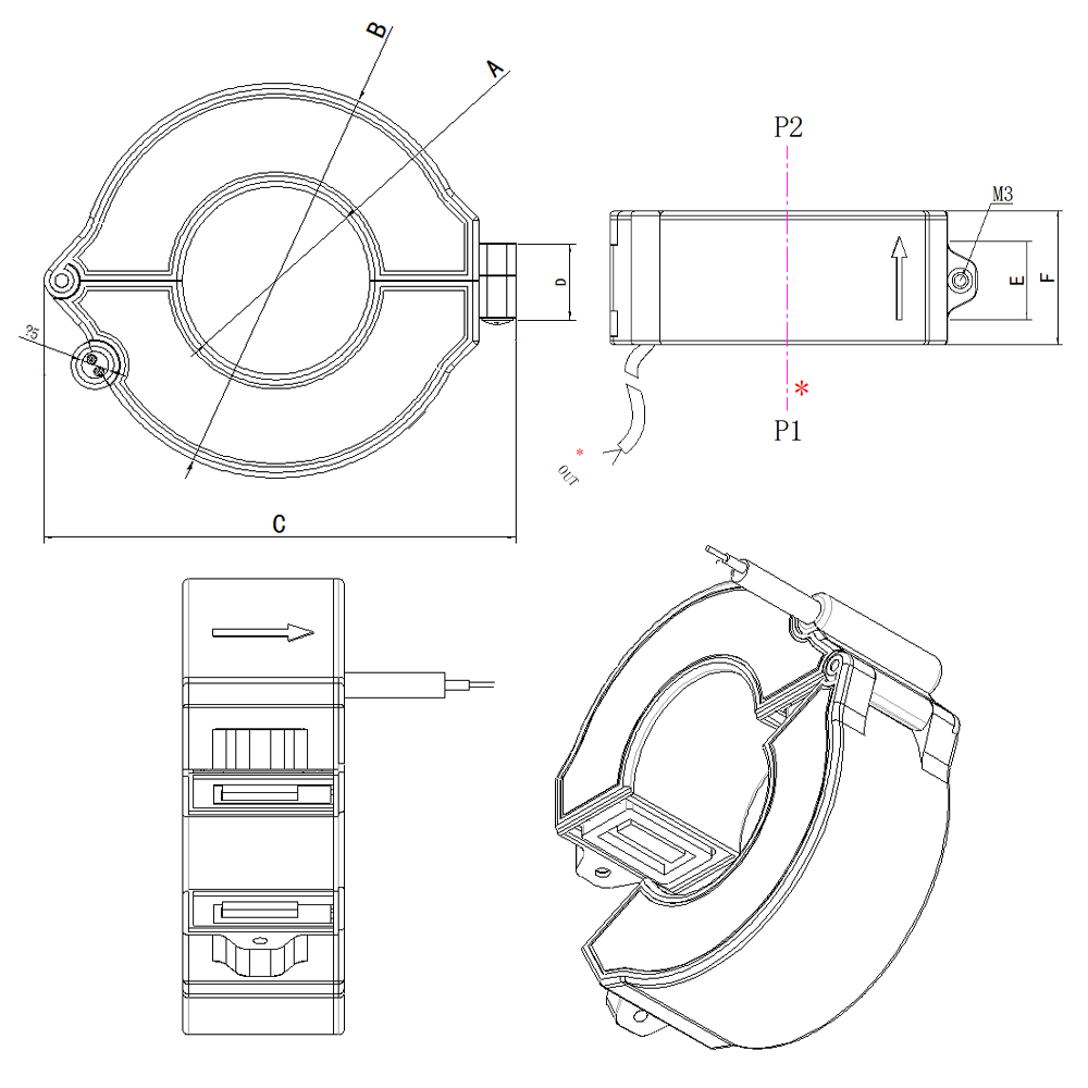
Valeur et dimensions typiques
Modèle de produit | Entrée nominale | Sortie nominale | Classe de précision | Dimensions (mm) | |||||
A | B | C | D | E | F | ||||
Trakl-25w | 0-300A | 0-100mA | 0.3 0.5 0,5 s | 25.0 | 60.0 | 75.0 | 14.5 | 19.0 | 30.5 |
TRSKL-25W | |||||||||
Trpkl-25w | |||||||||
Trakl-35w | 0-600A | 35.0 | 73.5 | 88.0 | 14.5 | 19.0 | 32.0 | ||
Trakl-35w | |||||||||
Trakl-35w | |||||||||

Précations d'installation
* Avant de fermer le noyau en acier au silicium, assurez-vous que l'extrémité de l'incision est propre, exempte de taches et d'impuretés ; elle doit être traitée avec un agent antirouille.
* Utilisez une clé à torgue (électrique / pneumatique) lors du resserrement des vis et réglez le couple sur une plage raisonnable.
Caractéristiques du produit
* Structure ouverte et fermée, facile à installer sur le site et facile à utiliser. Installation ou retrait rapide et facile sans déconnecter le câble primaire testé, efficace pour les tests actuels sûrs et faciles.
* Limite de quantité large et forte capacité anti-saturation. Plage de courant à entrée 0 ~ 600A.
* Propriétés ignifuges : Selon UL94-V0.
* Classe de protection : IP66.
Application du produit
Système de surveillance des incendies électriques, système de surveillance de l'énergie des équipements d'incendie, système de consommation électrique intelligente, réseau électrique à basse tension intelligent, petit système de mise à la terre de courant, protection des relais, système de protection moteur, etc. pour la mesure, la surveillance et la protection des lignes et l'équipement.
Télécharger la feuille de tailles
Transformateur de courant à noyau divisé série F.pdf
Paramètres du produit
Électrique performance | Température de fonctionnement | -40 ℃ -+70 ℃ | Humidité relative | ≤90% |
Niveau de tension | 0,4 / 0,66 / 0,72kV | Gamme linéaire | 5%-120% | |
Courant d'entrée nominal | 0-600A | Fréquence nominale | 50 / 60Hz | |
Charge nominale | ≤20Ω | Fréquence de puissance Tension de tenue | 3KV AC / 1 min | |
Classe de précision | 0.5 | Résistance à l'isolation | ≥1000 MΩ/500 V CC | |
Mécanique structure | Coquille et squelette | PA/PCIndice d'inflammabilité 94-V0 | Méthode de sortie | Câble aérien / gaine aérien étanche |
Matériau de base | Acier au silicium/nanocristallin/permalloy | Scellage | Résine époxy | |
Structure interne | Joint en silicone étanche | Classe de protection | IP65 、 IP66 、 IP67 |
Valeur et dimensions typiques
Modèle de produit | Entrée nominale | Sortie nominale | Classe de précision | Dimensions (mm) | |||||
A | B | C | D | E | F | ||||
Trakl-25w | 0-300A | 0-100mA | 0.3 0.5 0,5 s | 25.0 | 60.0 | 75.0 | 14.5 | 19.0 | 30.5 |
TRSKL-25W | |||||||||
Trpkl-25w | |||||||||
Trakl-35w | 0-600A | 35.0 | 73.5 | 88.0 | 14.5 | 19.0 | 32.0 | ||
Trakl-35w | |||||||||
Trakl-35w | |||||||||

Précations d'installation
* Avant de fermer le noyau en acier au silicium, assurez-vous que l'extrémité de l'incision est propre, exempte de taches et d'impuretés ; elle doit être traitée avec un agent antirouille.
* Utilisez une clé à torgue (électrique / pneumatique) lors du resserrement des vis et réglez le couple sur une plage raisonnable.